2
01
11110000000026833B
北京市教育委员会
变更后为实施中等学历教育的中外合作办学机构以及内地与香港特别行政区、澳门特别行政区和台湾地区的合作办学机构,层次、类别的变更核准
11110000000026833B200010500100005
11110000000026833B2000105001000
0
cda9676f-cf0c-44eb-b011-93f81dda5242
4e170e3b-486c-49fc-8428-cc258c9ac100
2^3
01
市教委
110000000000
北京市教育委员会
北京市政务服务中心:工作日上午09:00-12:00,下午13:30-17:00 ( 延时服务时间:工作日上午08:30-9:00,下午17:00-17:30,每周六9:00-13:00(法定节假日除外,需预约));北京城市副中心政务服务中心:工作日09:00-17:00,(延时服务时间:工作日上午08:30-9:00,下午17:00-17:30,周六09:00-13:00(法定节假日除外,延时服务需预约))
北京市政务服务中心:北京市丰台区西三环南路1号(六里桥西南角)综合窗口 北京城市副中心政务服务中心:北京市通州区新华东街48号二区(东南角)综合窗口
材料齐全、真实、准确,符合《中华人民共和国中外合作办学条例》 第四十四条  中外合作办学机构名称、层次、类别的变更,由该机构理事会、董事会或者联合管理委员会报审批机关批准。详见政策链接:http://www.moe.gov.cn/jyb_sjzl/sjzl_zcfg/zcfg_jyxzfg/202204/t20220422_620494.html 《中华人民共和国中外合作办学条例》 http://www.moe.gov.cn/srcsite/A02/s5911/moe_621/200406/t20040602_180471.html 《中华人民共和国中外合作办学条例实施办法》
{"IS_GUIDE":"1","ONLINE_DECLARE_SYSTEM_MODE":"","ITEM_REALITY_USELEVEL":"","SERVICE_OBJCT":"","IS_CONSTRUCTION":"0","CL_SERVICE_TYPE":"","APP_CODE_ID":"","YESNO_CITY_UNICOM":"1","CROSS_AREA":"","ISSHOHCENTER":"0","WECHAT_CODE_ID":"","FINANCIAL":"","LITTLEPROGRAM_CODE_NAME":"","CROSS_AREA_ALL":"","CROSS_PROVINCE":"","ALIAS_NAME":"[]","EAR_DISABILITY_GRAD":"","LIB_DISABILITY_GRAD":"","SPEAK_DISABILITY_GRAD":"","REGISTER":"","ONLINE_HANDLING_DEPTH_STANDARD":"05","APPROVAL_TYPE":"1","MIND_DISABILITY_GRAD":"","ACCEPTSERVICE":"99","YWBLX_ID":"02cc488d-af4b-4342-8ca5-3b6089375dcc","ONLINE_DECLARE_SYSTEM_DEPT":"","EMPOWER":"0","EXEMPT_MATERIALS":"","LITTLEPROGRAM_CODE_ID":"","EYE_DISABILITY_GRAD":"","ISMONVEINCENTER":"1","DATA_FLAG":"","BUSINESS_APPROVAL_DEPT":"北京市教育委员会","POWER_NAME":"实施高等专科教育、中等学历教育、非学历高等教育、自学考试助学、文化补习、学前教育等的中外(含内地与港澳台)合作办学机构设立、变更和终止审批","ITEM_ATTRIBUTE":"04^05^11^12","CROSS_AREA_ATEXT":"","AGE":"","BGSYSTEM_APPROVAL_OTHER":"","WIT_DISABILITY_GRAD":"","WECHAT_CODE_NAME":"","POWER_CODE":"B0300100","DISABILITY_TYPE":"","IS_ENABLE_CERTIFICATE_SHARE":"","POWER_ATTRIBUTE":"1","ONLY_ID":"1c688edc-3392-4e17-9dac-7c1334875822","YES_NO_OPEN":"1","BGSYSTEM_APPROVAL_NAME":"北京市统一行政审批管理平台","APP_CODE_NAME":"","HOLDER":"","VERSION":"20240415"}
[{"ID":6987108,"TASKGUID":"cda9676f-cf0c-44eb-b011-93f81dda5242","T_ID":"1e921bac-26d1-46df-8473-95c6e00d5c69","P_ID":"","NAME":"拟变更后的机构是否有知识产权投入","NODE_LEVEL":1,"NODE_PATH":"/1e921bac-26d1-46df-8473-95c6e00d5c69","CHILD_COUNT":2,"ORDER_NUM":1,"SERIAL_NUMBER":"1","CONDITION_ATTR":"01","IS_RADIO":"1","IS_SUPPORT":"","SUMMARY":"1 拟变更后的机构是否有知识产权投入\n\t1.1 否\n\t1.2 是","CD_TIME":"Jun 18, 2025 4:40:06 PM","CD_BATCH":"2025061800020","DISTRIBUTETAG":"all-data^non-investment^11110000000026833B^110000000000^non-construction^11110000000026833B","DATAJSONTEXT":"{\"VERSION\":\"20220810\",\"TREE_TYPE\":\"\",\"CONSULTATION_QA\":\"\"}","parOrder":"","proOrder":"1","newOrderNum":"001","itemGuideConditionRelatedList":[]},{"ID":6987113,"TASKGUID":"cda9676f-cf0c-44eb-b011-93f81dda5242","T_ID":"381bde7f-004c-4bf3-a898-34edfb86cd8f","P_ID":"1e921bac-26d1-46df-8473-95c6e00d5c69","NAME":"否","NODE_LEVEL":2,"NODE_PATH":"/1e921bac-26d1-46df-8473-95c6e00d5c69/381bde7f-004c-4bf3-a898-34edfb86cd8f","CHILD_COUNT":0,"ORDER_NUM":1,"SERIAL_NUMBER":"1.1","CONDITION_ATTR":"02","IS_RADIO":"","IS_SUPPORT":"","SUMMARY":"","CD_TIME":"Jun 18, 2025 4:40:06 PM","CD_BATCH":"2025061800020","DISTRIBUTETAG":"all-data^non-investment^11110000000026833B^110000000000^non-construction^11110000000026833B","DATAJSONTEXT":"{\"VERSION\":\"20220810\",\"TREE_TYPE\":\"\",\"CONSULTATION_QA\":\"\"}","parOrder":"","proOrder":"","newOrderNum":"001.001","itemGuideConditionRelatedList":[]},{"ID":6987112,"TASKGUID":"cda9676f-cf0c-44eb-b011-93f81dda5242","T_ID":"357e46a6-afc2-4f6e-952c-1ccaa9774dd9","P_ID":"1e921bac-26d1-46df-8473-95c6e00d5c69","NAME":"是","NODE_LEVEL":2,"NODE_PATH":"/1e921bac-26d1-46df-8473-95c6e00d5c69/357e46a6-afc2-4f6e-952c-1ccaa9774dd9","CHILD_COUNT":0,"ORDER_NUM":2,"SERIAL_NUMBER":"1.2","CONDITION_ATTR":"02","IS_RADIO":"","IS_SUPPORT":"","SUMMARY":"","CD_TIME":"Jun 18, 2025 4:40:06 PM","CD_BATCH":"2025061800020","DISTRIBUTETAG":"all-data^non-investment^11110000000026833B^110000000000^non-construction^11110000000026833B","DATAJSONTEXT":"{\"VERSION\":\"20220810\",\"TREE_TYPE\":\"\",\"CONSULTATION_QA\":\"\"}","parOrder":"","proOrder":"","newOrderNum":"001.002","itemGuideConditionRelatedList":[{"ID":25862357,"TASKGUID":"cda9676f-cf0c-44eb-b011-93f81dda5242","T_ID":"357e46a6-afc2-4f6e-952c-1ccaa9774dd9","G_ID":"774c7ae0-2d14-4a4c-b772-aea3d68143d4","M_CODE":"201470","MATERIAL_ID":"b0b55104-4f66-402a-93c4-00d5ec92bb1a","CD_TIME":"Jun 18, 2025 4:40:06 PM","CD_BATCH":"2025061800020","DISTRIBUTETAG":"all-data^non-investment^11110000000026833B^110000000000^non-construction^11110000000026833B","DATAJSONTEXT":"{\"VERSION\":\"20210903\"}"}]},{"ID":6987119,"TASKGUID":"cda9676f-cf0c-44eb-b011-93f81dda5242","T_ID":"c1ed1c77-545e-4ddf-928b-f20d49a9bc97","P_ID":"","NAME":"拟变更后的机构是否为独立法人机构","NODE_LEVEL":1,"NODE_PATH":"/c1ed1c77-545e-4ddf-928b-f20d49a9bc97","CHILD_COUNT":2,"ORDER_NUM":2,"SERIAL_NUMBER":"2","CONDITION_ATTR":"01","IS_RADIO":"1","IS_SUPPORT":"","SUMMARY":"2 拟变更后的机构是否为独立法人机构\n\t2.1 是\n\t2.2 否","CD_TIME":"Jun 18, 2025 4:40:06 PM","CD_BATCH":"2025061800020","DISTRIBUTETAG":"all-data^non-investment^11110000000026833B^110000000000^non-construction^11110000000026833B","DATAJSONTEXT":"{\"VERSION\":\"20220810\",\"TREE_TYPE\":\"\",\"CONSULTATION_QA\":\"\"}","parOrder":"","proOrder":"2","newOrderNum":"002","itemGuideConditionRelatedList":[]},{"ID":6987111,"TASKGUID":"cda9676f-cf0c-44eb-b011-93f81dda5242","T_ID":"3105ce9b-3d5d-42d7-9bcc-bc76460b06da","P_ID":"c1ed1c77-545e-4ddf-928b-f20d49a9bc97","NAME":"是","NODE_LEVEL":2,"NODE_PATH":"/c1ed1c77-545e-4ddf-928b-f20d49a9bc97/3105ce9b-3d5d-42d7-9bcc-bc76460b06da","CHILD_COUNT":0,"ORDER_NUM":1,"SERIAL_NUMBER":"2.1","CONDITION_ATTR":"02","IS_RADIO":"","IS_SUPPORT":"","SUMMARY":"","CD_TIME":"Jun 18, 2025 4:40:06 PM","CD_BATCH":"2025061800020","DISTRIBUTETAG":"all-data^non-investment^11110000000026833B^110000000000^non-construction^11110000000026833B","DATAJSONTEXT":"{\"VERSION\":\"20220810\",\"TREE_TYPE\":\"\",\"CONSULTATION_QA\":\"\"}","parOrder":"","proOrder":"","newOrderNum":"002.001","itemGuideConditionRelatedList":[{"ID":25862358,"TASKGUID":"cda9676f-cf0c-44eb-b011-93f81dda5242","T_ID":"3105ce9b-3d5d-42d7-9bcc-bc76460b06da","G_ID":"e42ca491-2fd5-45f2-80c8-31d2ed1330c0","M_CODE":"201462","MATERIAL_ID":"0b87bd47-eab8-4c62-9984-5a87e562f583","CD_TIME":"Jun 18, 2025 4:40:06 PM","CD_BATCH":"2025061800020","DISTRIBUTETAG":"all-data^non-investment^11110000000026833B^110000000000^non-construction^11110000000026833B","DATAJSONTEXT":"{\"VERSION\":\"20210903\"}"}]},{"ID":6987110,"TASKGUID":"cda9676f-cf0c-44eb-b011-93f81dda5242","T_ID":"2ac8f779-35a4-44f5-869d-88d302b76868","P_ID":"c1ed1c77-545e-4ddf-928b-f20d49a9bc97","NAME":"否","NODE_LEVEL":2,"NODE_PATH":"/c1ed1c77-545e-4ddf-928b-f20d49a9bc97/2ac8f779-35a4-44f5-869d-88d302b76868","CHILD_COUNT":0,"ORDER_NUM":2,"SERIAL_NUMBER":"2.2","CONDITION_ATTR":"02","IS_RADIO":"","IS_SUPPORT":"","SUMMARY":"","CD_TIME":"Jun 18, 2025 4:40:06 PM","CD_BATCH":"2025061800020","DISTRIBUTETAG":"all-data^non-investment^11110000000026833B^110000000000^non-construction^11110000000026833B","DATAJSONTEXT":"{\"VERSION\":\"20220810\",\"TREE_TYPE\":\"\",\"CONSULTATION_QA\":\"\"}","parOrder":"","proOrder":"","newOrderNum":"002.002","itemGuideConditionRelatedList":[]},{"ID":6987115,"TASKGUID":"cda9676f-cf0c-44eb-b011-93f81dda5242","T_ID":"3cac4221-dd3e-4ed8-a1af-b4b6ab163dbe","P_ID":"","NAME":"拟变更后的机构是否属捐赠性质的校产","NODE_LEVEL":1,"NODE_PATH":"/3cac4221-dd3e-4ed8-a1af-b4b6ab163dbe","CHILD_COUNT":2,"ORDER_NUM":3,"SERIAL_NUMBER":"3","CONDITION_ATTR":"01","IS_RADIO":"1","IS_SUPPORT":"","SUMMARY":"3 拟变更后的机构是否属捐赠性质的校产\n\t3.1 否\n\t3.2 是","CD_TIME":"Jun 18, 2025 4:40:06 PM","CD_BATCH":"2025061800020","DISTRIBUTETAG":"all-data^non-investment^11110000000026833B^110000000000^non-construction^11110000000026833B","DATAJSONTEXT":"{\"VERSION\":\"20220810\",\"TREE_TYPE\":\"\",\"CONSULTATION_QA\":\"\"}","parOrder":"","proOrder":"3","newOrderNum":"003","itemGuideConditionRelatedList":[]},{"ID":6987123,"TASKGUID":"cda9676f-cf0c-44eb-b011-93f81dda5242","T_ID":"fe7bfd06-50b1-4511-82e4-34bf83bcc5f2","P_ID":"3cac4221-dd3e-4ed8-a1af-b4b6ab163dbe","NAME":"否","NODE_LEVEL":2,"NODE_PATH":"/3cac4221-dd3e-4ed8-a1af-b4b6ab163dbe/fe7bfd06-50b1-4511-82e4-34bf83bcc5f2","CHILD_COUNT":0,"ORDER_NUM":1,"SERIAL_NUMBER":"3.1","CONDITION_ATTR":"02","IS_RADIO":"","IS_SUPPORT":"","SUMMARY":"","CD_TIME":"Jun 18, 2025 4:40:06 PM","CD_BATCH":"2025061800020","DISTRIBUTETAG":"all-data^non-investment^11110000000026833B^110000000000^non-construction^11110000000026833B","DATAJSONTEXT":"{\"VERSION\":\"20220810\",\"TREE_TYPE\":\"\",\"CONSULTATION_QA\":\"\"}","parOrder":"","proOrder":"","newOrderNum":"003.001","itemGuideConditionRelatedList":[]},{"ID":6987124,"TASKGUID":"cda9676f-cf0c-44eb-b011-93f81dda5242","T_ID":"ffc26671-a4bf-4e9f-9be9-64e10ab94b8f","P_ID":"3cac4221-dd3e-4ed8-a1af-b4b6ab163dbe","NAME":"是","NODE_LEVEL":2,"NODE_PATH":"/3cac4221-dd3e-4ed8-a1af-b4b6ab163dbe/ffc26671-a4bf-4e9f-9be9-64e10ab94b8f","CHILD_COUNT":0,"ORDER_NUM":2,"SERIAL_NUMBER":"3.2","CONDITION_ATTR":"02","IS_RADIO":"","IS_SUPPORT":"","SUMMARY":"","CD_TIME":"Jun 18, 2025 4:40:06 PM","CD_BATCH":"2025061800020","DISTRIBUTETAG":"all-data^non-investment^11110000000026833B^110000000000^non-construction^11110000000026833B","DATAJSONTEXT":"{\"VERSION\":\"20220810\",\"TREE_TYPE\":\"\",\"CONSULTATION_QA\":\"\"}","parOrder":"","proOrder":"","newOrderNum":"003.002","itemGuideConditionRelatedList":[{"ID":25862366,"TASKGUID":"cda9676f-cf0c-44eb-b011-93f81dda5242","T_ID":"ffc26671-a4bf-4e9f-9be9-64e10ab94b8f","G_ID":"fb6819d7-b8da-4fa6-9008-261931378c0a","M_CODE":"201460","MATERIAL_ID":"8cbdf465-bb54-40f7-b68e-99b84517c743","CD_TIME":"Jun 18, 2025 4:40:06 PM","CD_BATCH":"2025061800020","DISTRIBUTETAG":"all-data^non-investment^11110000000026833B^110000000000^non-construction^11110000000026833B","DATAJSONTEXT":"{\"VERSION\":\"20210903\"}"}]},{"ID":6987121,"TASKGUID":"cda9676f-cf0c-44eb-b011-93f81dda5242","T_ID":"f90114bb-edc1-4e44-a115-eafeaf39870a","P_ID":"","NAME":"拟变更后的机构是否需要确认为教育机构","NODE_LEVEL":1,"NODE_PATH":"/f90114bb-edc1-4e44-a115-eafeaf39870a","CHILD_COUNT":2,"ORDER_NUM":4,"SERIAL_NUMBER":"4","CONDITION_ATTR":"01","IS_RADIO":"1","IS_SUPPORT":"","SUMMARY":"4 拟变更后的机构是否需要确认为教育机构\n\t4.1 是\n\t4.2 否","CD_TIME":"Jun 18, 2025 4:40:06 PM","CD_BATCH":"2025061800020","DISTRIBUTETAG":"all-data^non-investment^11110000000026833B^110000000000^non-construction^11110000000026833B","DATAJSONTEXT":"{\"VERSION\":\"20220810\",\"TREE_TYPE\":\"\",\"CONSULTATION_QA\":\"\"}","parOrder":"","proOrder":"4","newOrderNum":"004","itemGuideConditionRelatedList":[]},{"ID":6987116,"TASKGUID":"cda9676f-cf0c-44eb-b011-93f81dda5242","T_ID":"602892e6-1f1b-44a2-9f5d-68018594efda","P_ID":"f90114bb-edc1-4e44-a115-eafeaf39870a","NAME":"是","NODE_LEVEL":2,"NODE_PATH":"/f90114bb-edc1-4e44-a115-eafeaf39870a/602892e6-1f1b-44a2-9f5d-68018594efda","CHILD_COUNT":0,"ORDER_NUM":1,"SERIAL_NUMBER":"4.1","CONDITION_ATTR":"02","IS_RADIO":"","IS_SUPPORT":"","SUMMARY":"","CD_TIME":"Jun 18, 2025 4:40:06 PM","CD_BATCH":"2025061800020","DISTRIBUTETAG":"all-data^non-investment^11110000000026833B^110000000000^non-construction^11110000000026833B","DATAJSONTEXT":"{\"VERSION\":\"20220810\",\"TREE_TYPE\":\"\",\"CONSULTATION_QA\":\"\"}","parOrder":"","proOrder":"","newOrderNum":"004.001","itemGuideConditionRelatedList":[{"ID":25862322,"TASKGUID":"cda9676f-cf0c-44eb-b011-93f81dda5242","T_ID":"602892e6-1f1b-44a2-9f5d-68018594efda","G_ID":"3b518108-8193-4adc-9718-bc11b95a646c","M_CODE":"201473","MATERIAL_ID":"244f53d0-1f13-4ce3-b0d1-49d5ac4413e9","CD_TIME":"Jun 18, 2025 4:40:06 PM","CD_BATCH":"2025061800020","DISTRIBUTETAG":"all-data^non-investment^11110000000026833B^110000000000^non-construction^11110000000026833B","DATAJSONTEXT":"{\"VERSION\":\"20210903\"}"}]},{"ID":6987122,"TASKGUID":"cda9676f-cf0c-44eb-b011-93f81dda5242","T_ID":"fbbb16ff-f172-4cd0-9f9b-ba08ba9624c4","P_ID":"f90114bb-edc1-4e44-a115-eafeaf39870a","NAME":"否","NODE_LEVEL":2,"NODE_PATH":"/f90114bb-edc1-4e44-a115-eafeaf39870a/fbbb16ff-f172-4cd0-9f9b-ba08ba9624c4","CHILD_COUNT":0,"ORDER_NUM":2,"SERIAL_NUMBER":"4.2","CONDITION_ATTR":"02","IS_RADIO":"","IS_SUPPORT":"","SUMMARY":"","CD_TIME":"Jun 18, 2025 4:40:06 PM","CD_BATCH":"2025061800020","DISTRIBUTETAG":"all-data^non-investment^11110000000026833B^110000000000^non-construction^11110000000026833B","DATAJSONTEXT":"{\"VERSION\":\"20220810\",\"TREE_TYPE\":\"\",\"CONSULTATION_QA\":\"\"}","parOrder":"","proOrder":"","newOrderNum":"004.002","itemGuideConditionRelatedList":[]},{"ID":6987118,"TASKGUID":"cda9676f-cf0c-44eb-b011-93f81dda5242","T_ID":"86631a88-153f-4017-baf8-9a0b67f9920c","P_ID":"","NAME":"拟变更后的机构是否举办学历教育","NODE_LEVEL":1,"NODE_PATH":"/86631a88-153f-4017-baf8-9a0b67f9920c","CHILD_COUNT":2,"ORDER_NUM":5,"SERIAL_NUMBER":"5","CONDITION_ATTR":"01","IS_RADIO":"1","IS_SUPPORT":"","SUMMARY":"5 拟变更后的机构是否举办学历教育\n\t5.1 否\n\t5.2 是","CD_TIME":"Jun 18, 2025 4:40:06 PM","CD_BATCH":"2025061800020","DISTRIBUTETAG":"all-data^non-investment^11110000000026833B^110000000000^non-construction^11110000000026833B","DATAJSONTEXT":"{\"VERSION\":\"20220810\",\"TREE_TYPE\":\"\",\"CONSULTATION_QA\":\"\"}","parOrder":"","proOrder":"5","newOrderNum":"005","itemGuideConditionRelatedList":[]},{"ID":6987109,"TASKGUID":"cda9676f-cf0c-44eb-b011-93f81dda5242","T_ID":"2157e84b-79d5-4d8c-abff-741a277f5041","P_ID":"86631a88-153f-4017-baf8-9a0b67f9920c","NAME":"否","NODE_LEVEL":2,"NODE_PATH":"/86631a88-153f-4017-baf8-9a0b67f9920c/2157e84b-79d5-4d8c-abff-741a277f5041","CHILD_COUNT":0,"ORDER_NUM":1,"SERIAL_NUMBER":"5.1","CONDITION_ATTR":"02","IS_RADIO":"","IS_SUPPORT":"","SUMMARY":"","CD_TIME":"Jun 18, 2025 4:40:06 PM","CD_BATCH":"2025061800020","DISTRIBUTETAG":"all-data^non-investment^11110000000026833B^110000000000^non-construction^11110000000026833B","DATAJSONTEXT":"{\"VERSION\":\"20220810\",\"TREE_TYPE\":\"\",\"CONSULTATION_QA\":\"\"}","parOrder":"","proOrder":"","newOrderNum":"005.001","itemGuideConditionRelatedList":[]},{"ID":6987114,"TASKGUID":"cda9676f-cf0c-44eb-b011-93f81dda5242","T_ID":"392074f8-536d-48c5-887c-7b6bc72dec3b","P_ID":"86631a88-153f-4017-baf8-9a0b67f9920c","NAME":"是","NODE_LEVEL":2,"NODE_PATH":"/86631a88-153f-4017-baf8-9a0b67f9920c/392074f8-536d-48c5-887c-7b6bc72dec3b","CHILD_COUNT":0,"ORDER_NUM":2,"SERIAL_NUMBER":"5.2","CONDITION_ATTR":"02","IS_RADIO":"","IS_SUPPORT":"","SUMMARY":"","CD_TIME":"Jun 18, 2025 4:40:06 PM","CD_BATCH":"2025061800020","DISTRIBUTETAG":"all-data^non-investment^11110000000026833B^110000000000^non-construction^11110000000026833B","DATAJSONTEXT":"{\"VERSION\":\"20220810\",\"TREE_TYPE\":\"\",\"CONSULTATION_QA\":\"\"}","parOrder":"","proOrder":"","newOrderNum":"005.002","itemGuideConditionRelatedList":[{"ID":25862374,"TASKGUID":"cda9676f-cf0c-44eb-b011-93f81dda5242","T_ID":"392074f8-536d-48c5-887c-7b6bc72dec3b","G_ID":"46cf5132-2af4-4bb1-baeb-fe0474138485","M_CODE":"344726","MATERIAL_ID":"64135a39-fe1f-4bc5-821b-3f54ff3bbbce","CD_TIME":"Jun 18, 2025 4:40:06 PM","CD_BATCH":"2025061800020","DISTRIBUTETAG":"all-data^non-investment^11110000000026833B^110000000000^non-construction^11110000000026833B","DATAJSONTEXT":"{\"VERSION\":\"20210903\"}"}]},{"ID":6987107,"TASKGUID":"cda9676f-cf0c-44eb-b011-93f81dda5242","T_ID":"14965b0c-8549-411b-bc9b-27df70189831","P_ID":"","NAME":"申请表和合作办学协议的签字人是否为法定代表人","NODE_LEVEL":1,"NODE_PATH":"/14965b0c-8549-411b-bc9b-27df70189831","CHILD_COUNT":2,"ORDER_NUM":6,"SERIAL_NUMBER":"6","CONDITION_ATTR":"01","IS_RADIO":"1","IS_SUPPORT":"","SUMMARY":"6 申请表和合作办学协议的签字人是否为法定代表人\n\t6.1 是\n\t6.2 否","CD_TIME":"Jun 18, 2025 4:40:06 PM","CD_BATCH":"2025061800020","DISTRIBUTETAG":"all-data^non-investment^11110000000026833B^110000000000^non-construction^11110000000026833B","DATAJSONTEXT":"{\"VERSION\":\"20220810\",\"TREE_TYPE\":\"\",\"CONSULTATION_QA\":\"\"}","parOrder":"","proOrder":"6","newOrderNum":"006","itemGuideConditionRelatedList":[]},{"ID":6987120,"TASKGUID":"cda9676f-cf0c-44eb-b011-93f81dda5242","T_ID":"c5dfae55-33a3-4d7a-8b69-9dbfb1f3c291","P_ID":"14965b0c-8549-411b-bc9b-27df70189831","NAME":"是","NODE_LEVEL":2,"NODE_PATH":"/14965b0c-8549-411b-bc9b-27df70189831/c5dfae55-33a3-4d7a-8b69-9dbfb1f3c291","CHILD_COUNT":0,"ORDER_NUM":1,"SERIAL_NUMBER":"6.1","CONDITION_ATTR":"02","IS_RADIO":"","IS_SUPPORT":"","SUMMARY":"","CD_TIME":"Jun 18, 2025 4:40:06 PM","CD_BATCH":"2025061800020","DISTRIBUTETAG":"all-data^non-investment^11110000000026833B^110000000000^non-construction^11110000000026833B","DATAJSONTEXT":"{\"VERSION\":\"20220810\",\"TREE_TYPE\":\"\",\"CONSULTATION_QA\":\"\"}","parOrder":"","proOrder":"","newOrderNum":"006.001","itemGuideConditionRelatedList":[]},{"ID":6987117,"TASKGUID":"cda9676f-cf0c-44eb-b011-93f81dda5242","T_ID":"70a9891e-104b-4f93-a27c-2365a798964a","P_ID":"14965b0c-8549-411b-bc9b-27df70189831","NAME":"否","NODE_LEVEL":2,"NODE_PATH":"/14965b0c-8549-411b-bc9b-27df70189831/70a9891e-104b-4f93-a27c-2365a798964a","CHILD_COUNT":0,"ORDER_NUM":2,"SERIAL_NUMBER":"6.2","CONDITION_ATTR":"02","IS_RADIO":"","IS_SUPPORT":"","SUMMARY":"","CD_TIME":"Jun 18, 2025 4:40:06 PM","CD_BATCH":"2025061800020","DISTRIBUTETAG":"all-data^non-investment^11110000000026833B^110000000000^non-construction^11110000000026833B","DATAJSONTEXT":"{\"VERSION\":\"20220810\",\"TREE_TYPE\":\"\",\"CONSULTATION_QA\":\"\"}","parOrder":"","proOrder":"","newOrderNum":"006.002","itemGuideConditionRelatedList":[{"ID":25862318,"TASKGUID":"cda9676f-cf0c-44eb-b011-93f81dda5242","T_ID":"70a9891e-104b-4f93-a27c-2365a798964a","G_ID":"19b324b2-2c1a-42a0-ab76-80e7182ceeb2","M_CODE":"209635","MATERIAL_ID":"05462cc8-e5d8-4af3-aa26-14800f8298f9","CD_TIME":"Jun 18, 2025 4:40:06 PM","CD_BATCH":"2025061800020","DISTRIBUTETAG":"all-data^non-investment^11110000000026833B^110000000000^non-construction^11110000000026833B","DATAJSONTEXT":"{\"VERSION\":\"20210903\"}"},{"ID":25862330,"TASKGUID":"cda9676f-cf0c-44eb-b011-93f81dda5242","T_ID":"70a9891e-104b-4f93-a27c-2365a798964a","G_ID":"9bd8c51d-a7b1-46ee-943e-a4f577807073","M_CODE":"201481","MATERIAL_ID":"626ebe70-84e3-46d7-9499-b47d9e39f276","CD_TIME":"Jun 18, 2025 4:40:06 PM","CD_BATCH":"2025061800020","DISTRIBUTETAG":"all-data^non-investment^11110000000026833B^110000000000^non-construction^11110000000026833B","DATAJSONTEXT":"{\"VERSION\":\"20210903\"}"}]}]
2
3^4
http://recept.banshi.beijing.gov.cn/online/accept#/accept/entry?matterType=single&matterId=1111583927&userType=legal&openRouteEnvFlag=prod

政务服务> 办事指南

变更后为实施中等学历教育的中外合作办学机构以及内地与香港特别行政区、澳门特别行政区和台湾地区的合作办学机构,层次、类别的变更核准

北京市

切换简洁版

  • 承诺件

    办件类型

  • 0

    到现场次数

  • 130工作日

    法定办结时限

  • 44工作日

    承诺办结时限

好差评

5.0

办件承诺办结时限说明:专家评审时间不计入审批时限。(承诺时限为办理流程中“审查与决定”环节的计时时限)

办件承诺办结时限说明:

专家评审时间不计入审批时限。(承诺时限为办理流程中“审查与决定”环节的计时时限)

基本信息

实施主体 北京市教育委员会 服务对象 事业法人、社会组织法人
事项类型 行政许可 办理形式 窗口办理、网上办理、快递申请
受理条件 材料齐全、真实、准确,符合《中华人民共和国中外合作办学条例》 第四十四条  中外合作办学机构名称、层次、类别的变更,由该机构理事会、董事会或者联合管理委员会报审批机关批准。详见政策链接:http://www.moe.gov.cn/jyb_sjzl/sjzl_zcfg/zcfg_jyxzfg/202204/t20220422_620494.html 《中华人民共和国中外合作办学条例》 http://www.moe.gov.cn/srcsite/A02/s5911/moe_621/200406/t20040602_180471.html 《中华人民共和国中外合作办学条例实施办法》
办理时间 北京市政务服务中心:工作日上午09:00-12:00,下午13:30-17:00 ( 延时服务时间:工作日上午08:30-9:00,下午17:00-17:30,每周六9:00-13:00(法定节假日除外,需预约));北京城市副中心政务服务中心:工作日09:00-17:00,(延时服务时间:工作日上午08:30-9:00,下午17:00-17:30,周六09:00-13:00(法定节假日除外,延时服务需预约)) 查看详情
办理地点 北京市政务服务中心:北京市丰台区西三环南路1号(六里桥西南角)综合窗口 北京城市副中心政务服务中心:北京市通州区新华东街48号二区(东南角)综合窗口 查看详情
咨询方式

咨询电话:

(010)89150066【展开】

咨询窗口地址:

北京市政务服务中心:北京市丰台区西三环南路1号(六里桥西南角)综合窗口 北京城市副中心政务服务中心:北京市通州区新华东街48号二区(东南角)(综合窗口)【展开】

网上咨询:

http://www.beijing.gov.cn/hudong/yonghu/static/jw/zixun/【展开】

投诉监督方式

投诉监督电话:

(010)12345【展开】

投诉窗口地址:

北京市通州区达济街6号院2号楼【展开】

基本编码 000105001000 事项编码 11110000000026833B2000105001000
业务办理项编码 11110000000026833B200010500100005 进驻大厅类型 政务服务中心
权力来源 法定本级行使 网上支付
所属机构 北京市教育委员会 委托部门
联办机构 实施主体性质 法定机关
办理进程查询途径 电话查询:(010)89150066
行使层级 市级 运行系统 市级统建系统
物流快递 办理方式 初审件
预约办理 网上预约:http://banshi.beijing.gov.cn/;电话预约:(010)89150001 数量限制
中介服务 权限划分 区级初审、市级终审
通办范围 特别程序 专家评审
行使内容
显示更多

请选择情形:

提示:通过情形选择可引导出您办理该事项所需的材料,若要查看全部材料,请点击"查看全部材料"

查看全部材料 情形引导

收起
我选好了重选条件

序号 材料名称 材料来源 材料
必要性
数量要求 介质要求 表格及样例
下载
受理标准 提供材料
依据
其他要求
申请材料总要求1、复印件与原件一致; 2、2页以上材料需同时加盖骑缝章; 3、外文材料须有中文翻译; 4、申请材料中涉及中方、外方提交的材料,内地与港澳台申请材料参照。
序号 材料名称 材料来源 材料
必要性
数量要求 介质要求 表格及样例
下载
受理标准 提供材料
依据
其他要求
中外合作办学机构关于变更层次、类别的申请书申请人自备必要原件1份文本类;纸质样例下载申请书应包至少含变更原因、变更后的层次、类别,并加盖机构公章。【展开】《中华人民共和国中外合作办学条例》(中华人民共和国国务院令第372号)【展开】内容应至少包括:申请单位名称、合作方名称;变更层次、类别原因;拟变更后的合作办学机构名称、拟变更后的机构法人性质、办学地点、办学目的、办学规模、办学形式、办学层次、教学内容、学制、生源对象、办学投入、内部管理体制、经费筹措与管理使用、办学条件(用地、校舍条件)。【展开】
原理事会董事会联合管理委员会关于同意变更层次类别的决议申请人自备必要原件1份文本类;纸质不涉及决议应由到会理事会、董事会或者联合管理委员会成员签字,代行签字的,应当附授权委托书。【展开】《中华人民共和国中外合作办学条例》(中华人民共和国国务院令第372号)【展开】内容真实有效。有董事会、理事会或者联合管理委员会成员签字,加盖学校公章。【展开】
中外合作办学机构申请表申请人自备必要原件1份表格类;纸质样表下载空表下载表内各项内容填写完整,真实性保证页有双方法人代表亲笔签名并加盖公章。【展开】《中华人民共和国中外合作办学条例》(中华人民共和国国务院令第372号)【展开】【展开】
内地与港澳台合作办学机构申请表申请人自备必要原件1份表格类;纸质样表下载空表下载表内各项内容填写完整,真实性保证页有双方法人代表亲笔签名并加盖公章。【展开】《中华人民共和国中外合作办学条例》(中华人民共和国国务院令第372号)【展开】【展开】
拟变更后的机构的合作办学中外文协议申请人自备必要原件1份文本类;纸质不涉及协议应包含签署日期,有双方法人代表亲笔签名并加盖公章。【展开】《中华人民共和国中外合作办学条例》(中华人民共和国国务院令第372号)【展开】内容应至少包括拟变更后的中外合作办学机构的名称、住所,中外合作办学者的名称、住所、法定代表人,办学宗旨和培养目标,合作内容和期限,各方投入数额、方式及资金缴纳期限,权利、义务,争议解决办法。【展开】
拟变更后的中外合作办学机构资产的文件申请人自备必要原件1份(原件仅供查验)文本类;纸质不涉及关于拟变更后机构资金、资产情况的文件(可包含在变更申请书、决议、协议中),如有新的资金投入,需提供相应材料。【展开】《中华人民共和国中外合作办学条例》(中华人民共和国国务院令第372号)【展开】内容真实有效。【展开】
拟变更后的中外合作办学机构的机构章程申请人自备必要原件1份文本类;纸质不涉及有双方法人代表亲笔签名并加盖公章。【展开】《中华人民共和国中外合作办学条例》(中华人民共和国国务院令第372号)【展开】内容同《中华人民共和国中外合作办学条例实施办法》第二章机构设立时对章程的要求【展开】
拟变更后的机构理事会董事会联合管理委员会组成人员名单简历申请人自备必要原件1份文本类;纸质不涉及须提交名单中所有人的简历,简历应至少包含年龄、学历、中方或外方、从事教育教学工作年限。【展开】《中华人民共和国中外合作办学条例》(中华人民共和国国务院令第372号)【展开】内容真实有效。加盖学校公章。【展开】
拟变更后的机构校长的资格文件申请人自备必要复印件1份文本类;纸质不涉及校长或者主要行政负责人应当具有中华人民共和国国籍,在中国境内定居。【展开】《中华人民共和国中外合作办学条例》(中华人民共和国国务院令第372号)【展开】或主要行政负责人。内容真实有效。加盖学校公章。【展开】
拟变更后的机构中华人民共和国教师资格证书政府部门核发来源说明>必要原件1份结果文书类;纸质不涉及中方合作办学者聘任的教师应有教师资格证。外方合作办学者聘任的教师应有学历学位证书复印件和其所在学校提供的资格文件。【展开】《中华人民共和国中外合作办学条例》(中华人民共和国国务院令第372号)【展开】内容真实有效。加盖学校公章。【展开】
拟变更后的机构财会人员的资格文件申请人自备必要复印件1份文本类;纸质不涉及财会人员应有相应的资格证书。【展开】《中华人民共和国中外合作办学条例》(中华人民共和国国务院令第372号)【展开】内容真实有效。加盖学校公章。【展开】
十一拟变更后的机构聘任的外籍人员的资格文件申请人自备必要复印件1份文本类;纸质不涉及外籍教师应有学历学位证书复印件及其聘任机构提供的资格文件。【展开】《中华人民共和国中外合作办学条例》(中华人民共和国国务院令第372号)【展开】包括外籍教师和外籍管理人员。内容真实有效。加盖学校公章。【展开】
十二拟变更后的机构教育教学计划培养方案申请人自备必要原件1份文本类;纸质不涉及教学计划及培养方案需加盖骑缝章。【展开】《中华人民共和国中外合作办学条例》(中华人民共和国国务院令第372号)【展开】内容真实有效。加盖学校公章。【展开】
十三拟变更后的机构资产来源资金数额情况材料申请人自备必要原件1份(原件仅供查验)文本类;纸质不涉及如变更后机构资产来源、资金数额情况发生变化,需提供变化情况的说明,并加盖公章。【展开】《中华人民共和国中外合作办学条例》(中华人民共和国国务院令第372号)【展开】载明产权。内容真实有效。加盖学校公章。【展开】
十四拟变更后的机构中方合作办学者事业单位法人证书政府部门核发来源说明>必要复印件1份结果文书类;纸质不涉及中方合作办学者提供法人证书复印件。【展开】《中华人民共和国中外合作办学条例》(中华人民共和国国务院令第372号)【展开】【展开】
民办非企业单位法人登记证书政府部门核发来源说明>必要复印件1份结果文书类;纸质不涉及中方合作办学者提供法人证书复印件。【展开】《中华人民共和国中外合作办学条例》(中华人民共和国国务院令第372号)【展开】【展开】
十五拟变更后的机构外方合作办学者法人资格文件政府部门核发来源说明>必要复印件1份文本类;纸质不涉及外方合作办学者提供法人证书复印件或所在国相应法律文件复印件。【展开】《中华人民共和国中外合作办学条例》(中华人民共和国国务院令第372号)【展开】【展开】
十六拟变更后的机构教育教学管理原则申请人自备必要原件1份文本类;纸质不涉及需加盖公章。【展开】《中华人民共和国中外合作办学条例》(中华人民共和国国务院令第372号)【展开】内容真实有效。加盖学校公章。【展开】
十七拟变更后的机构学生管理原则申请人自备必要原件1份文本类;纸质不涉及需加盖公章。【展开】《中华人民共和国中外合作办学条例》(中华人民共和国国务院令第372号)【展开】内容真实有效。加盖学校公章。【展开】
十八拟变更后的机构拟颁发的学历证书实样中介机构或法定机构产生来源说明>必要原件1份文本类;纸质不涉及颁发证书实样不能为彩打或者复印件,必须为证书原件。【展开】《中华人民共和国中外合作办学条例》(中华人民共和国国务院令第372号)【展开】【展开】
十九拟变更后的机构办学场所场地设施情况申请人自备必要原件1份文本类;纸质不涉及办学场所、场地、设施情况发生变化的,需提供情况说明并加盖公章。【展开】《中华人民共和国中外合作办学条例》(中华人民共和国国务院令第372号)【展开】如实说明情况,加盖学校公章。【展开】
二十、拟变更后的机构为独立法人机构的
(一)新设专业申请材料申请人自备必要原件1份文本类;纸质不涉及需提供审批机关同意新增专业的文件。【展开】《中华人民共和国中外合作办学条例》(中华人民共和国国务院令第372号)【展开】拟变更后的机构为独立法人机构的提交。内容真实有效。加盖学校公章。【展开】
二十一、申请的表和合作办学协议的签字人不是法定代表人的须提交
(一)拟变更后的机构中方合作办学者法定代表人给签字人的授权书(或委任书)申请人自备必要原件1份文本类;纸质不涉及申请表和合作办学协议的签字人不是法定代表人的需提供授权书。【展开】《中华人民共和国中外合作办学条例》(中华人民共和国国务院令第372号)【展开】申请表和合作办学协议的签字人不是法定代表人的须提交。内容真实有效。双方签字须为原签。【展开】
(二)拟变更后的机构外方合作办学者法定代表人给签字人的授权书申请人自备必要原件1份文本类;纸质不涉及申请表和合作办学协议的签字人不是法定代表人的需提供授权书。【展开】《中华人民共和国中外合作办学条例》(中华人民共和国国务院令第372号)【展开】申请表和合作办学协议的签字人不是法定代表人的须提交。内容真实有效。双方签字须为原签。【展开】
二十二、拟变更后的机构有知识产权投入的
(一)知识产权材料申请人自备必要原件1份(原件仅供查验)文本类;纸质不涉及有知识产权投入的,按知识产权类型提供相应材料。【展开】《中华人民共和国中外合作办学条例》(中华人民共和国国务院令第372号)【展开】拟变更后的机构有知识产权投入的提交【展开】
二十三、拟变更后的机构需要确认为教育机构的
(一)拟变更后的机构中外合作办学者系教育机构的文件中介机构或法定机构产生来源说明>必要复印件1份文本类;纸质不涉及如中外合作办学者发生变化的,需提供中外方合作办学者机构设立时的批准文件或法律文件。【展开】《中华人民共和国中外合作办学条例》(中华人民共和国国务院令第372号)【展开】需要确认的提交【展开】
二十四、拟变更后的机构举办学历教育的
(一)拟变更后的中外合作办学者准予举办学历教育的文件政府部门核发来源说明>必要原件1份(原件仅供查验)结果文书类;纸质不涉及需提供准予中外方合作办学者举办学历教育的批准文件或法律文件。【展开】《中华人民共和国中外合作办学条例》(中华人民共和国国务院令第372号)【展开】拟变更后的机构举办学历教育的提交【展开】
二十五、拟变更后的机构属捐赠性质的校产
(一)捐赠协议申请人自备容缺后补原件1份(原件仅供查验)文本类;纸质不涉及如有捐赠,需提供要求材料,如无捐赠不用提供。【展开】《中华人民共和国中外合作办学条例》(中华人民共和国国务院令第372号)【展开】拟变更后的机构属捐赠性质的校产须提交载明捐赠人的姓名、所捐资产的数额、用途和管理办法及捐赠性质校产的材料。【展开】
二十六中方上级主管部门意见政府部门核发来源说明>必要原件1份结果文书类;纸质不涉及需提供原件加盖上级主管部门公章。【展开】《中华人民共和国中外合作办学条例》(中华人民共和国国务院令第372号) 《中华人民共和国中外合作办学条例实施办法》(中华人民共和国教育部令第20号)【展开】【展开】
申请材料总要求1、复印件与原件一致; 2、2页以上材料需同时加盖骑缝章; 3、外文材料须有中文翻译; 4、申请材料中涉及中方、外方提交的材料,内地与港澳台申请材料参照。
显示更多

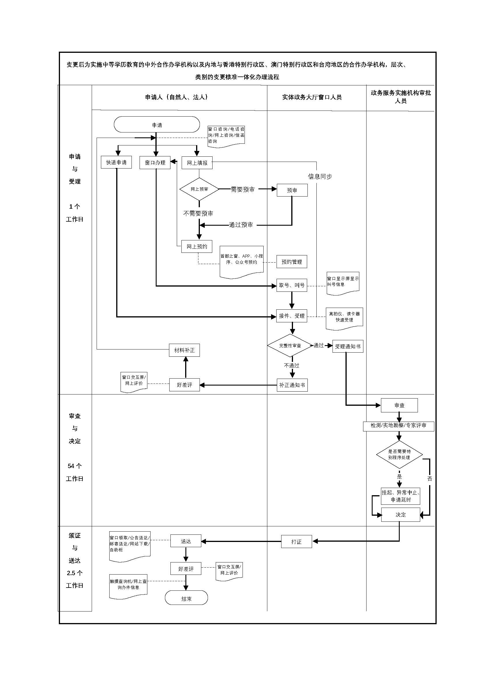
查看流程图

  • 申请与受理1

    办理步骤办理时限办理人员办理结果
    申报/收件0个工作日综窗人员行政许可材料收取回执单

    审查标准

    审批单位要求提供的材料齐全,并符合法定形式。【展开】
    办理步骤办理时限办理人员办理结果
    受理0个工作日综窗人员1、收件之日一次性告知申请人需要补正的全部内容,补正材料符合受理条件后受理;2、若收件之日未告知补正的,从收件之日起即为受理。

    审查标准

    1、审批单位要求提供的材料齐全、真实、准确,并符合法定形式;
    2、符合《中华人民共和国中外合作办学条例》及《中华人民共和国中外合作办学条例实施办法》的各项要求。
    【展开】
  • 审查与决定2

    办理步骤办理时限办理人员办理结果
    审查40个工作日进驻部门人员进行初步审查,并将审查意见作为决定的参考依据。

    审查标准

    符合《中华人民共和国中外合作办学条例》及《中华人民共和国中外合作办学条例实施办法》的各项要求。【展开】
    办理步骤办理时限办理人员办理结果
    专家评审
    (不计时限环节)
    进驻部门人员组织专家评审,并将专家意见作为决定的参考依据。

    审查标准

    符合《中华人民共和国中外合作办学条例》及《中华人民共和国中外合作办学条例实施办法》的各项要求。【展开】
    办理步骤办理时限办理人员办理结果
    决定4个工作日首席代表或部门负责人审批机关作出是否准予许可的决定

    审查标准

    1、符合《中华人民共和国中外合作办学条例》及《中华人民共和国中外合作办学条例实施办法》的各项要求;
    2、符合国家和北京市对中外合作办学工作的现行政策。
    【展开】
  • 颁证与送达3

    办理步骤办理时限办理人员结果名称
    发证2.5个工作日进驻部门人员

    1、中外合作办学批复

    2、中外合作办学许可证

    3、中外合作办学许可证(副本)

    4、内地与港澳台地区合作办学许可证

    5、内地与港澳台地区合作办学许可证(副本)

    送达方式
    窗口领取邮寄送达

中外合作办学批复
结果名称中外合作办学批复
结果文书类型批文
结果样本北京市教育委员会关于同意×××的批复样本.jpg
有效时间以批文时限为准。
中外合作办学许可证
结果名称中外合作办学许可证
结果文书类型证照
结果样本中外合作办学许可证样本.jpg
有效时间以《中外合作办学许可证》有效期为准。
中外合作办学许可证(副本)
结果名称中外合作办学许可证(副本)
结果文书类型证照
结果样本中外合作办学许可证(副本)(审批结果样本).jpg
有效时间以《中外合作办学许可证》有效期为准。
内地与港澳台地区合作办学许可证
结果名称内地与港澳台地区合作办学许可证
结果文书类型证照
结果样本内地与港澳台地区合作办学许可证样本.jpg
有效时间以《内地与港澳台地区合作办学许可证》有效期为准。
内地与港澳台地区合作办学许可证(副本)
结果名称内地与港澳台地区合作办学许可证(副本)
结果文书类型证照
结果样本内地与港澳台地区合作办学许可证(副本)样本.jpg
有效时间以《内地与港澳台地区合作办学许可证》有效期为准。

【行政法规】中华人民共和国中外合作办学条例
制定机关国务院
依据名称中华人民共和国中外合作办学条例
发布号令(文号)中华人民共和国国务院令第372号
法条(具体规定)内容第十二条:申请设立实施高等专科教育和非学历高等教育的中外合作办学机构,由拟设立机构所在地的省、自治区、直辖市人民政府审批。申请设立实施中等学历教育和自学考试助学、文化补习、学前教育等的中外合作办学机构,由拟设立机构所在地的省、自治区、直辖市人民政府教育行政部门审批。第二十五条:中外合作办学机构的校长或者主要行政负责人,应当具有中华人民共和国国籍,在中国境内定居,热爱祖国,品行良好,具有教育、教学经验,并具备相应的专业水平。中外合作办学机构聘任的校长或者主要行政负责人,应当经审批机关核准。第四十二条:中外合作办学机构的分立、合并,在进行财务清算后,由该机构理事会、董事会或者联合管理委员会报审批机关批准。第四十三条:中外合作办学机构合作办学者的变更,应当由合作办学者提出,在进行财务清算后,经该机构理事会、董事会或者联合管理委员会同意,报审批机关核准,并办理相应的变更手续。中外合作办学机构住所、法定代表人的变更,应当经审批机关核准,并办理相应的变更手续。中外合作办学机构校长或者主要行政负责人的变更,应当及时办理变更手续。第四十四条:中外合作办学机构名称、层次、类别的变更,由该机构理事会、董事会或者联合管理委员会报审批机关批准。第四十五条:中外合作办学机构有下列情形之一的,应当终止:(一)根据章程规定要求终止,并经审批机关批准的;(二)被吊销中外合作办学许可证的;(三)因资不抵债无法继续办学,并经审批机关批准的。第五十九条:香港特别行政区、澳门特别行政区和台湾地区的教育机构与内地教育机构合作办学的参照本条例的规定执行。《国务院关于废止和修改部分行政法规的决定》第十一条:删去《中华人民共和国中外合作办学条例》第二十五条第二款;第四十三条第二款修改为:“中外合作办学机构住所、法定代表人的变更,应当经审批机关核准,并办理相应的变更手续。中外合作办学机构校长或者主要行政负责人的变更,应当及时办理变更手续。【展开】

是否收费:

1、合作办学协议需要由法人签署吗?
需要。若非法人签署,则需要提供合作办学者法定代表人给签字人的授权书原件。
2、原件用人名章或电子签章可以吗?
不可以。必须是原签、原章。

指南分享

党政机关

移动版

主办:北京市人民政府办公厅

承办:北京市政务服务和数据管理局

版权所有:北京市人民政府网站 京ICP备05060933号

政府网站标识码:1100000088 京公网安备 11010502039640 京ICP备05060933号

运行管理:首都之窗运行管理中心

请选择您的办理区域:

北京市

请选择需要办理的事项: