政务服务> 办事指南
北京市
切换简洁版
基本信息
| 实施主体 | 北京市规划和自然资源委员会 | 服务对象 | |
| 事项类型 | 行政确认 | 办理形式 | |
| 受理条件 | 一、材料齐全、真实有效、填写完整清晰、加盖施工图审查机构公章。 二、(一)审查机构为专门从事施工图审查业务,不以营利为目的的独立法人。(来源:《房屋建筑和市政基础设施工程施工图设计文件审查管理办法》第五条 中华人民共和国住房和城乡建设部令 第13号) (二)注册资金:不少于300万元。(来源:《房屋建筑和市政基础设施工程施工图设计文件审查管理办法》第七条 中华人民共和国住房和城乡建设部令 第13号) (三)管理体系:应有健全的技术管理和质量管理保证体系。 (来源:《房屋建筑和市政基础设施工程施工图设计文件审查管理办法》第七条 中华人民共和国住房和城乡建设部令 第13号) (四)人员要求:审查人员应当有良好的职业道德;有15年以上所需专业勘察、设计工作经历;主持过不少于5项大型房屋建筑工程、市政基础设施工程相应专业的设计或者甲级工程勘察项目相应专业的勘察;已实行执业注册制度的专业,审查人员应当具有一级注册建筑师、一级注册结构工程师或者勘察设计注册工程师资格,并在本审查机构注册;未实行执业注册制度的专业,审查人员应当具有高级工程师职称;近5年内未因违反工程建设法律法规和强制性标准受到行政处罚。 (来源:《房屋建筑和市政基础设施工程施工图设计文件审查管理办法》第七条 中华人民共和国住房和城乡建设部令 第13号) (五)审查机构人员配置要求:从事房屋建筑工程施工图审查的,结构专业审查人员不少于7人,建筑专业不少于3人,电气、暖通、给排水等专业审查人员各不少于2人;从事市政基础设施工程施工图审查的,所需专业的审查人员不少于7人,其他必须配套的专业审查人员各不少于2人;专门从事勘察文件审查的,勘察专业审查人员不少于7人。 承担超限高层建筑工程施工图审查的,还应当具有主持过超限高层建筑工程或者100米以上建筑工程结构专业设计的审查人员不少于3人。(来源:《房屋建筑和市政基础设施工程施工图设计文件审查管理办法》第七条 中华人民共和国住房和城乡建设部令 第13号) (六)审查人员年龄要求:60岁以上审查人员不超过该专业审查人员规定数的1/2。(来源:《房屋建筑和市政基础设施工程施工图设计文件审查管理办法》第七条 中华人民共和国住房和城乡建设部令 第13号) (七)审查人员为专职审查人员,审查人员应与审查机构签订至少一年以上的劳动合同,注册关系及社保应转移到所在审查机构。 | ||
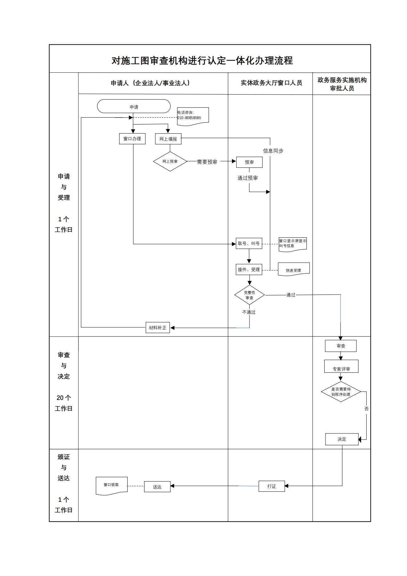
| 办理时间 | 北京市政务服务中心:法定工作日: 上午08:30 - 12:00、下午12:00 - 17:30; 周六:上午:08:30 - 12:30(需预约);法定节假日不对外服务。 查看详情 | ||
| 办理地点 | 北京市政务服务中心:北京市丰台区西三环南路1号(六里桥西南角)综合窗口 查看详情 | ||
| 咨询方式 |
咨询电话: (010)80858586【展开】 |
||
| 投诉监督方式 | |||
| 基本编码 | 000717006000 | 事项编码 | 11110000MB1503996K2000717006000 |
| 业务办理项编码 | 11110000MB1503996K200071700600001 | 进驻大厅类型 | |
| 权力来源 | 法定本级行使 | 网上支付 | 否 |
| 所属机构 | 无 | 委托部门 | 建设工程消防设计审查处 |
| 联办机构 | 无 | 实施主体性质 | 法定机关 |
| 办理进程查询途径 | |||
| 行使层级 | 市级 | 运行系统 | 无 |
| 物流快递 | 否 | 办理方式 | 初审件 |
| 预约办理 | 数量限制 | 结合本行政区域内的建设规模,确定相应数量的审查机构 | |
| 中介服务 | 无 | 权限划分 | |
| 通办范围 | 全区 | 特殊程序 | 无 |
| 行使内容 | 对符合条件的房屋建筑工程和市政基础设施工程施工图审查机构进行认定。 | ||

指南分享