政务服务> 办事指南
北京市
切换简洁版
基本信息
| 实施主体 | 北京市民政局 | 服务对象 | 社会组织法人 |
| 事项类型 | 其他行政权力 | 办理形式 | 窗口办理、网上办理、快递申请 |
| 受理条件 | 1.基金会凭《基金会法人登记证书》依法申请刻制印章、开立银行账户。基金会应当将印章式样、银行账号以及税务登记证件复印件报登记管理机关备案。(来源于:《基金会管理条例》第十四条) 2.材料齐全,填写完整; 3.提交的证照证件或批复文件齐全完整、如提交复印件,应完整清晰并与原件一致; 4.申请材料所载基本信息与提交的证照证件或批复文件所载内容一致; 5.申请材料按要求签字、盖章,且签章内容与申请材料所载内容、提交的证照证件或批复文件所载内容一致。 | ||
| 办理时间 | 北京市政务服务中心:法定工作日: 上午: 09:00 - 12:00; 下午: 13:30 - 17:00; (延时服务时间: 工作日上午08:30 - 09:00; 下午17:00 - 17:30; 周六上午09:00 - 13:00; ) 查看详情 | ||
| 办理地点 | 北京市政务服务中心:北京市丰台区西三环南路1号(六里桥西南角)综合窗口 查看详情 | ||
| 咨询方式 |
咨询电话: (010)89150006【展开】 咨询窗口地址: 北京市政务服务中心:北京市丰台区西三环南路1号(六里桥西南角)综合窗口【展开】 |
||
| 投诉监督方式 | 投诉监督电话: (010)12345【展开】 |
||
| 基本编码 | 111008041001 | 事项编码 | 11110000000021039C2111008041001 |
| 业务办理项编码 | 11110000000021039C211100804100101 | 进驻大厅类型 | 政务服务中心 |
| 权力来源 | 法定本级行使 | 网上支付 | 否 |
| 所属机构 | 北京市民政局 | 委托部门 | 无 |
| 联办机构 | 无 | 实施主体性质 | 法定机关 |
| 办理进程查询途径 | 现场查询:北京市政务服务中心:北京市丰台区西三环南路1号(六里桥西南角)综合窗口 |
||
| 行使层级 | 市级 | 运行系统 | 市级统建系统 |
| 物流快递 | 是 | 办理方式 | 自办件 |
| 预约办理 | 电话预约:(010)89150001 | 数量限制 | 无 |
| 中介服务 | 无 | 权限划分 | 无 |
| 通办范围 | 全市 | 特殊程序 | 无 |
| 行使内容 | 无 | ||

无
| 序号 | 材料名称 | 材料来源 | 材料 必要性 |
数量要求 | 介质要求 | 表格及样例 下载 |
受理标准 | 提供材料 依据 |
其他要求 |
|---|---|---|---|---|---|---|---|---|---|
| 一 | 印章备案表 | 申请人自备 | 必要 | 原件1份 | 表格类;纸质 | 样表下载空表下载 | 1、申请人自备,原件1份; 2、社会组织应在备案表上按照公章、财务章、发票章、法人名章的顺序加盖所有印章,并且印章印迹应清晰; 3、备案表中填写的社会组织名称应与印章上的名称一致; 4、全国信用统一代码必须与基金会法人登记证书一致; 5、备案表中内容均为必填项,检查是否有遗漏; 6、该材料已按照样例固定模板填写。【展开】 | 《基金会管理条例》第十四条 基金会、境外基金会代表机构依照本条例登记后,应当依法办理税务登记。 基金会、境外基金会代表机构,凭登记证书依法申请组织机构代码、刻制印章、开立银行账户。 基金会、境外基金会代表机构应当将组织机构代码、印章式样、银行账号以及税务登记证件复印件报登记管理机关备案。【展开】 | 在印章备案表上加盖已刻制的基金会的印章【展开】 |
| 二 | 银行账户材料 | 申请人自备 | 必要 | 原件1份;复印件1份 | 文本类;纸质 | 样例下载 | 1、备案表中内容均为必填项,检查是否有遗漏; 2、账户名称、开户银行名称、开户银行地址、银行账号、开户时间必须与银行出具的开户许可证上的信息一致; 3、该材料已按照样例固定模板填写。【展开】 | 基金会管理条例【展开】 | 【展开】 |
| 申请材料总要求 | 无 | ||||||||

无
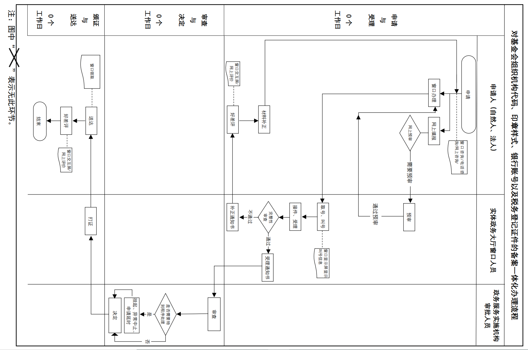
| 办理步骤 | 办理时限 | 办理人员 | 办理结果 |
|---|---|---|---|
| 申报/收件 | 0个工作日 | 申请人 | / |
审查标准 1.基金会应当将印章式样、银行账号以及税务登记证件复印件报登记管理机关备案。(来源于:《基金会管理条例》第十四条) 2.材料齐全,填写完整; 3.提交的证照证件或批复文件齐全完整、如提交复印件,应完整清晰并与原件一致; 4.申请材料所载基本信息与提交的证照证件或批复文件所载内容一致; 5.申请材料按要求签字、盖章,且签章内容与申请材料所载内容、提交的证照证件或批复文件所载内容一致。【展开】 | |||
| 办理步骤 | 办理时限 | 办理人员 | 办理结果 |
|---|---|---|---|
| 受理 | 0个工作日 | 综窗人员 | 符合条件,予以受理,不符合条件,通知补正。 |
审查标准 1.基金会应当将印章式样、银行账号以及税务登记证件复印件报登记管理机关备案。(来源于:《基金会管理条例》第十四条) 2.材料齐全,填写完整; 3.提交的证照证件或批复文件齐全完整、如提交复印件,应完整清晰并与原件一致; 4.申请材料所载基本信息与提交的证照证件或批复文件所载内容一致; 5.申请材料按要求签字、盖章,且签章内容与申请材料所载内容、提交的证照证件或批复文件所载内容一致。【展开】 | |||
| 办理步骤 | 办理时限 | 办理人员 | 办理结果 |
|---|---|---|---|
| 决定 | 0个工作日 | 首席代表或部门负责人 | 材料齐备,予以备案;材料不齐备,不予以备案 |
审查标准 1、印章备案表(在印章备案表上加盖已刻制的社团、民非的印章);2、社会组织应在备案表上按照公章、财务章、发票章、法人名章的顺序加盖所有印章,并且印章印迹应清晰; 3、备案表中填写的社会组织名称应与印章上的名称一致; 4、全国信用统一代码必须与社会团体法人登记证书或民办非企业单位法人登记证书一致; 5、银行账号备案表原件1份; 6、备案表中内容均为必填项,检查是否有遗漏。【展开】 | |||
| 办理步骤 | 办理时限 | 办理人员 | 结果名称 |
|---|---|---|---|
| 发证 | 0个工作日 | 综窗人员 | 1、对基金会组织机构代码、印章样式、银行账号以及税务登记证件的备案 |
| 送达方式 | |||
|---|---|---|---|
其他:告知已备案 | |||
无
| 对基金会组织机构代码、印章样式、银行账号以及税务登记证件的备案 | |
| 结果名称 | 对基金会组织机构代码、印章样式、银行账号以及税务登记证件的备案 |
|---|---|
| 结果文书类型 | 其他 |
| 结果样本 | 对基金会组织机构代码、印章样式、银行账号以及税务登记证件的备案结果样本.docx |
| 有效时间 | 无时限 |
无
| 【行政法规】基金会管理条例 | |
| 制定机关 | 国务院 |
|---|---|
| 依据名称 | 基金会管理条例 |
| 发布号令(文号) | 中华人民共和国国务院令第400号 |
| 法条(具体规定)内容 | 第十四条 基金会、境外基金会代表机构应当将组织机构代码、印章式样、银行账号以及税务登记证件复印件报登记管理机关备案。【展开】 |
是否收费:否
| 1、刻章后什么时候能够启用 |
|---|
| 经备案后,方可启用 |
指南分享
主办:北京市人民政府办公厅
承办:北京市政务服务和数据管理局
版权所有:北京市人民政府网站 京ICP备05060933号
政府网站标识码:1100000088 京公网安备 11010502039640 京ICP备05060933号
运行管理:首都之窗运行管理中心