3
07
11110102000037874K
北京市西城区住房和城市建设委员会
建设工程消防验收备案
11110102000037874K300071700800002
11110102000037874K3000717008000
0
d9877e6f-656c-4d3f-918d-ac929044a227
f0f24bc9-a776-4d6d-acce-001296f50cff
2^3
07
西城区住房城市建设委
110102000000
北京市西城区住房和城市建设委员会
西城区政务服务中心:法定工作日: 上午: 09:00 - 12:00; 下午: 13:30 - 17:00; (延时服务时间: 工作日上午08:30 - 09:00; 中午12:00 - 13:30; 下午17:00 - 17:30; 周六上午08:30 - 12:30; )
西城区政务服务中心:北京市西城区西直门内大街275号综合窗口
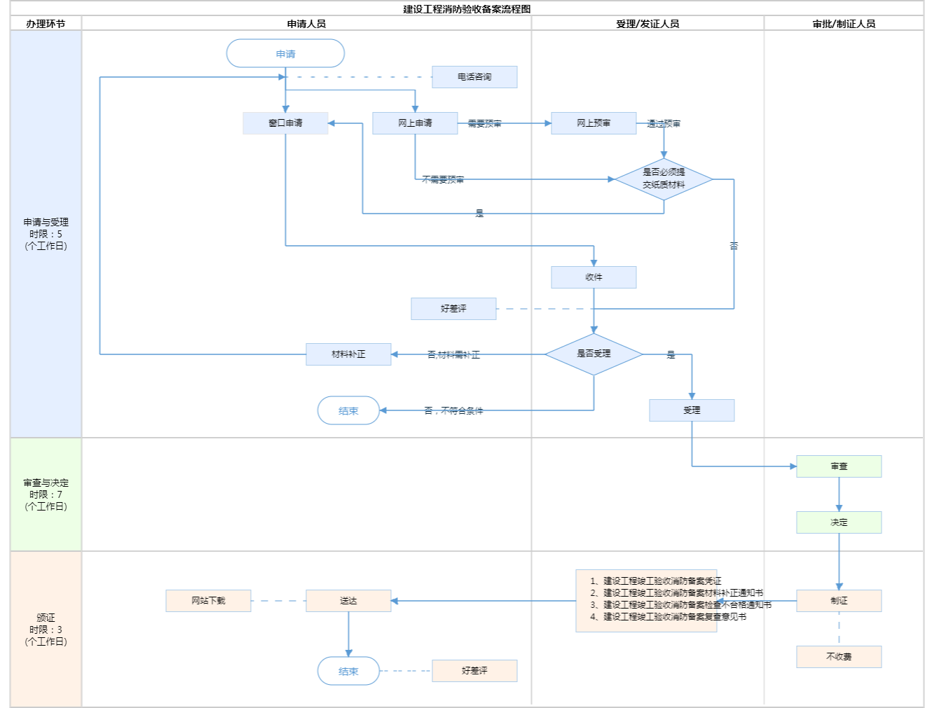
1、符合申报条件且属于《暂行规定》其他建设工程范围的,建设单位在验收后应当报住房和城乡建设主管部门备案,住房和城乡建设主管部门应当进行抽查。(来源:《中华人民共和国消防法》第十三条 第二款) 2、第三十四条 对其他建设工程实行备案抽查制度,分类管理。   其他建设工程经依法抽查不合格的,应当停止使用。   第三十六条 其他建设工程竣工验收合格之日起五个工作日内,建设单位应当报消防设计审查验收主管部门备案。   建设单位办理备案,应当提交下列材料:   (一)消防验收备案表;   (二)工程竣工验收报告;   (三)涉及消防的建设工程竣工图纸。   本规定第二十八条有关建设单位竣工验收消防查验的规定,适用于其他建设工程。 第二十八条 建设单位组织竣工验收时,应当对建设工程是否符合下列要求进行查验:   (一)完成工程消防设计和合同约定的消防各项内容;   (二)有完整的工程消防技术档案和施工管理资料(含涉及消防的建筑材料、建筑构配件和设备的进场试验报告);   (三)建设单位对工程涉及消防的各分部分项工程验收合格;施工、设计、工程监理、技术服务等单位确认工程消防质量符合有关标准;   (四)消防设施性能、系统功能联调联试等内容检测合格。   经查验不符合前款规定的建设工程,建设单位不得编制工程竣工验收报告。(来源:《建设工程消防设计审查验收管理暂行规定》中华人民共和国住房和城乡建设部令第58号) 3、申报材料齐全,内容填写完整,签章齐全。 4、建设工程消防验收备案 (1)按照表格要求在线填报信息,清晰表述消防查验情况及意见,加盖各参建单位公章,各方项目负责人署名,并上传扫描文件; (2)申报时间应晚于竣工验收时间。 5、工程竣工验收报告 (1)加盖所有参建单位公章并上传扫描件; (2)报告中应表述本工程是否符合住建部令第58号第二十八条内容; (3)报告应包含竣工验收日期。 6、 涉及消防的建设工程竣工图纸 (1)应包含建筑、机电、消防的全部竣工图; (2)逐页加盖建设单位公章、设计单位出图章(或报审章)、施工单位(总包单位和消防施工单位)竣工图专用章以及设计负责人执业章; (3)扫描文件上传。
{"IS_GUIDE":"1","ONLINE_DECLARE_SYSTEM_MODE":"99","ITEM_REALITY_USELEVEL":"","SERVICE_OBJCT":"","IS_CONSTRUCTION":"1","CL_SERVICE_TYPE":"","APP_CODE_ID":"","YESNO_CITY_UNICOM":"","CROSS_AREA":"","ISSHOHCENTER":"0","WECHAT_CODE_ID":"","FINANCIAL":"","LITTLEPROGRAM_CODE_NAME":"","CROSS_AREA_ALL":"","CROSS_PROVINCE":"","ALIAS_NAME":"[\"建设工程消防验收备案\"]","EAR_DISABILITY_GRAD":"","LIB_DISABILITY_GRAD":"","SPEAK_DISABILITY_GRAD":"","REGISTER":"","ONLINE_HANDLING_DEPTH_STANDARD":"05","APPROVAL_TYPE":"0","MIND_DISABILITY_GRAD":"","ACCEPTSERVICE":"99","YWBLX_ID":"63a47592-5469-4214-b799-a0681f490f61","ONLINE_DECLARE_SYSTEM_DEPT":"","CONSTRUCTION_EXPANSION":"","EMPOWER":"0","EXEMPT_MATERIALS":"","LITTLEPROGRAM_CODE_ID":"","EYE_DISABILITY_GRAD":"","ISMONVEINCENTER":"","DATA_FLAG":"","BUSINESS_APPROVAL_DEPT":"","POWER_NAME":"建设工程消防验收备案","ITEM_ATTRIBUTE":"04^05^06^11","CROSS_AREA_ATEXT":"","AGE":"","BGSYSTEM_APPROVAL_OTHER":"","WIT_DISABILITY_GRAD":"","WECHAT_CODE_NAME":"","POWER_CODE":"H1400300","DISABILITY_TYPE":"","IS_ENABLE_CERTIFICATE_SHARE":"0","POWER_ATTRIBUTE":"1","ONLY_ID":"85ccd7d4-388f-4e74-84b8-f3a0c6ba0718","YES_NO_OPEN":"1","BGSYSTEM_APPROVAL_NAME":"","APP_CODE_NAME":"","HOLDER":"","VERSION":"20241125"}
[{"ID":7784291,"TASKGUID":"d9877e6f-656c-4d3f-918d-ac929044a227","T_ID":"ca02b645-5571-436a-a591-3bb4ef5302a0","P_ID":"","NAME":"请选择办理方式","NODE_LEVEL":1,"NODE_PATH":"/ca02b645-5571-436a-a591-3bb4ef5302a0","CHILD_COUNT":2,"ORDER_NUM":1,"SERIAL_NUMBER":"1","CONDITION_ATTR":"01","IS_RADIO":"1","IS_SUPPORT":"0","SUMMARY":"1 请选择办理方式\n\t1.1 普通方式\n\t1.2 告知承诺","CD_TIME":"Nov 24, 2025 3:51:34 PM","CD_BATCH":"2025112400022","DISTRIBUTETAG":"all-data^investment^11110102000037874K^110102000000^construction^11110000000021135M^non-construction_expansion","DATAJSONTEXT":"{\"VERSION\":\"20220810\",\"TREE_TYPE\":\"\",\"CONSULTATION_QA\":\"\"}","parOrder":"","proOrder":"1","newOrderNum":"001","itemGuideConditionRelatedList":[]},{"ID":7784292,"TASKGUID":"d9877e6f-656c-4d3f-918d-ac929044a227","T_ID":"fd09e336-6f58-4e0e-bc57-95ca52868819","P_ID":"ca02b645-5571-436a-a591-3bb4ef5302a0","NAME":"普通方式","NODE_LEVEL":2,"NODE_PATH":"/ca02b645-5571-436a-a591-3bb4ef5302a0/fd09e336-6f58-4e0e-bc57-95ca52868819","CHILD_COUNT":0,"ORDER_NUM":1,"SERIAL_NUMBER":"1.1","CONDITION_ATTR":"02","IS_RADIO":"","IS_SUPPORT":"","CD_TIME":"Nov 24, 2025 3:51:34 PM","CD_BATCH":"2025112400022","DISTRIBUTETAG":"all-data^investment^11110102000037874K^110102000000^construction^11110000000021135M^non-construction_expansion","DATAJSONTEXT":"{\"VERSION\":\"20220810\",\"TREE_TYPE\":\"\",\"CONSULTATION_QA\":\"\"}","parOrder":"","proOrder":"","newOrderNum":"001.001","itemGuideConditionRelatedList":[{"ID":26434242,"TASKGUID":"d9877e6f-656c-4d3f-918d-ac929044a227","T_ID":"fd09e336-6f58-4e0e-bc57-95ca52868819","G_ID":"f6e4a696-d83e-4c84-a048-6bc7c32a9321","M_CODE":"400238","MATERIAL_ID":"4a5b9a67-d1fa-4634-9d43-16b548484943","CD_TIME":"Nov 24, 2025 3:51:34 PM","CD_BATCH":"2025112400022","DISTRIBUTETAG":"all-data^investment^11110102000037874K^110102000000^construction^11110000000021135M^non-construction_expansion","DATAJSONTEXT":"{\"VERSION\":\"20210903\"}"},{"ID":26434245,"TASKGUID":"d9877e6f-656c-4d3f-918d-ac929044a227","T_ID":"fd09e336-6f58-4e0e-bc57-95ca52868819","G_ID":"fca27f34-9db0-4620-a5dc-f8e4d4deaf93","M_CODE":"202234","MATERIAL_ID":"be9c8765-cfef-483d-a25f-e38f1707cad4","CD_TIME":"Nov 24, 2025 3:51:34 PM","CD_BATCH":"2025112400022","DISTRIBUTETAG":"all-data^investment^11110102000037874K^110102000000^construction^11110000000021135M^non-construction_expansion","DATAJSONTEXT":"{\"VERSION\":\"20210903\"}"},{"ID":26434246,"TASKGUID":"d9877e6f-656c-4d3f-918d-ac929044a227","T_ID":"fd09e336-6f58-4e0e-bc57-95ca52868819","G_ID":"b30d9efb-2833-4adb-a089-bdade264ccd3","M_CODE":"100197","MATERIAL_ID":"d2f7b60e-999a-4ac6-874a-33d48dacb7f9","CD_TIME":"Nov 24, 2025 3:51:34 PM","CD_BATCH":"2025112400022","DISTRIBUTETAG":"all-data^investment^11110102000037874K^110102000000^construction^11110000000021135M^non-construction_expansion","DATAJSONTEXT":"{\"VERSION\":\"20210903\"}"}]},{"ID":7784290,"TASKGUID":"d9877e6f-656c-4d3f-918d-ac929044a227","T_ID":"c2a7e550-9b44-4959-8dab-b99dc0e72e34","P_ID":"ca02b645-5571-436a-a591-3bb4ef5302a0","NAME":"告知承诺","NODE_LEVEL":2,"NODE_PATH":"/ca02b645-5571-436a-a591-3bb4ef5302a0/c2a7e550-9b44-4959-8dab-b99dc0e72e34","CHILD_COUNT":0,"ORDER_NUM":2,"SERIAL_NUMBER":"1.2","CONDITION_ATTR":"02","IS_RADIO":"","IS_SUPPORT":"","CD_TIME":"Nov 24, 2025 3:51:34 PM","CD_BATCH":"2025112400022","DISTRIBUTETAG":"all-data^investment^11110102000037874K^110102000000^construction^11110000000021135M^non-construction_expansion","DATAJSONTEXT":"{\"VERSION\":\"20220810\",\"TREE_TYPE\":\"\",\"CONSULTATION_QA\":\"\"}","parOrder":"","proOrder":"","newOrderNum":"001.002","itemGuideConditionRelatedList":[{"ID":26434243,"TASKGUID":"d9877e6f-656c-4d3f-918d-ac929044a227","T_ID":"c2a7e550-9b44-4959-8dab-b99dc0e72e34","G_ID":"1d0f34c9-6272-4a63-b1b5-fc9f38ffc487","M_CODE":"211299","MATERIAL_ID":"10b20904-3563-4f85-8f14-4b0d81062610","CD_TIME":"Nov 24, 2025 3:51:34 PM","CD_BATCH":"2025112400022","DISTRIBUTETAG":"all-data^investment^11110102000037874K^110102000000^construction^11110000000021135M^non-construction_expansion","DATAJSONTEXT":"{\"VERSION\":\"20210903\"}"},{"ID":26434244,"TASKGUID":"d9877e6f-656c-4d3f-918d-ac929044a227","T_ID":"c2a7e550-9b44-4959-8dab-b99dc0e72e34","G_ID":"8e8a0368-cc6f-4de1-9fb1-7a852d82d3ff","M_CODE":"100197","MATERIAL_ID":"1c1abe39-6b14-4ace-aa35-ed0b8c07356d","CD_TIME":"Nov 24, 2025 3:51:34 PM","CD_BATCH":"2025112400022","DISTRIBUTETAG":"all-data^investment^11110102000037874K^110102000000^construction^11110000000021135M^non-construction_expansion","DATAJSONTEXT":"{\"VERSION\":\"20210903\"}"}]}]
2
2^3^4^5^6^9
http://zjw.beijing.gov.cn/

政务服务> 办事指南

建设工程消防验收备案

北京市

切换简洁版

  • 承诺件

    办件类型

  • 0

    到现场次数

  • 15工作日

    法定办结时限

  • 7工作日

    承诺办结时限

好差评

5.0

办件承诺办结时限说明:依法需要听证、检验、检测、鉴定的,需要协调消防车等大型救援设备开展现场检查的,所需时间不计算在内。对于重大、复杂的工程,消防验收办结时限按照国家法定时限执行。告知承诺办结时限为0.5个工作日。(承诺时限为办理流程中“审查与决定”环节的计时时限)

办件承诺办结时限说明:

依法需要听证、检验、检测、鉴定的,需要协调消防车等大型救援设备开展现场检查的,所需时间不计算在内。对于重大、复杂的工程,消防验收办结时限按照国家法定时限执行。告知承诺办结时限为0.5个工作日。(承诺时限为办理流程中“审查与决定”环节的计时时限)

基本信息

实施主体 北京市西城区住房和城市建设委员会 服务对象
事项类型 行政确认 办理形式
受理条件 1、符合申报条件且属于《暂行规定》其他建设工程范围的,建设单位在验收后应当报住房和城乡建设主管部门备案,住房和城乡建设主管部门应当进行抽查。(来源:《中华人民共和国消防法》第十三条 第二款) 2、第三十四条 对其他建设工程实行备案抽查制度,分类管理。   其他建设工程经依法抽查不合格的,应当停止使用。   第三十六条 其他建设工程竣工验收合格之日起五个工作日内,建设单位应当报消防设计审查验收主管部门备案。   建设单位办理备案,应当提交下列材料:   (一)消防验收备案表;   (二)工程竣工验收报告;   (三)涉及消防的建设工程竣工图纸。   本规定第二十八条有关建设单位竣工验收消防查验的规定,适用于其他建设工程。 第二十八条 建设单位组织竣工验收时,应当对建设工程是否符合下列要求进行查验:   (一)完成工程消防设计和合同约定的消防各项内容;   (二)有完整的工程消防技术档案和施工管理资料(含涉及消防的建筑材料、建筑构配件和设备的进场试验报告);   (三)建设单位对工程涉及消防的各分部分项工程验收合格;施工、设计、工程监理、技术服务等单位确认工程消防质量符合有关标准;   (四)消防设施性能、系统功能联调联试等内容检测合格。   经查验不符合前款规定的建设工程,建设单位不得编制工程竣工验收报告。(来源:《建设工程消防设计审查验收管理暂行规定》中华人民共和国住房和城乡建设部令第58号) 3、申报材料齐全,内容填写完整,签章齐全。 4、建设工程消防验收备案 (1)按照表格要求在线填报信息,清晰表述消防查验情况及意见,加盖各参建单位公章,各方项目负责人署名,并上传扫描文件; (2)申报时间应晚于竣工验收时间。 5、工程竣工验收报告 (1)加盖所有参建单位公章并上传扫描件; (2)报告中应表述本工程是否符合住建部令第58号第二十八条内容; (3)报告应包含竣工验收日期。 6、 涉及消防的建设工程竣工图纸 (1)应包含建筑、机电、消防的全部竣工图; (2)逐页加盖建设单位公章、设计单位出图章(或报审章)、施工单位(总包单位和消防施工单位)竣工图专用章以及设计负责人执业章; (3)扫描文件上传。
办理时间 西城区政务服务中心:法定工作日: 上午: 09:00 - 12:00; 下午: 13:30 - 17:00; (延时服务时间: 工作日上午08:30 - 09:00; 中午12:00 - 13:30; 下午17:00 - 17:30; 周六上午08:30 - 12:30; ) 查看详情
办理地点 西城区政务服务中心:北京市西城区西直门内大街275号综合窗口 查看详情
咨询方式

咨询电话:

(010)63020585【展开】

投诉监督方式
基本编码 000717008000 事项编码 11110102000037874K3000717008000
业务办理项编码 11110102000037874K300071700800002 进驻大厅类型
权力来源 法定本级行使 网上支付
所属机构 北京市西城区住房和城市建设委员会 委托部门
联办机构 实施主体性质 法定机关
办理进程查询途径
行使层级 区级 运行系统
物流快递 办理方式 自办件
预约办理 数量限制
中介服务 权限划分
通办范围 全区 特殊程序 现场勘验
行使内容 属于住房和城乡建设部门负责质量监督的建设工程,其建设工程竣工验收消防备案职责按“谁负责质量监督谁负责消防验收”原则执行。不属于住房和城乡建设部门负责质量监督的专业工程或其他工程,其建设工程竣工验收消防备案职责按照属地原则,由区住房和城乡建设主管部门承担;跨行政区域的,由市住房城乡建设委指定管辖。
显示更多

请选择情形:

提示:通过情形选择可引导出您办理该事项所需的材料,若要查看全部材料,请点击"查看全部材料"

查看全部材料 情形引导

收起
我选好了重选条件

序号 材料名称 材料来源 材料
必要性
数量要求 介质要求 表格及样例
下载
受理标准 提供材料
依据
其他要求
申请材料总要求
序号 材料名称 材料来源 材料
必要性
数量要求 介质要求 表格及样例
下载
受理标准 提供材料
依据
其他要求
申请材料总要求
显示更多

指南分享