3
01
1111011200008286X2
北京市通州区生态环境局
辐射安全许可证有效期届满申请延续(设区的市级权限)
1111011200008286X2300011613300304
1111011200008286X23000116133003
0
c0d2b9a1-708c-4250-a479-850fcf916de9
df7389a1-7249-4b80-894a-f894e90358b4
3
01
通州区生态环境局
110112000000
北京市通州区生态环境局
北京城市副中心政务服务中心:法定工作日: 上午: 09:00 - 12:00; 下午: 12:00 - 17:00; (延时服务时间: 工作日上午08:30 - 09:00; 下午17:00 - 17:30; 周六上午09:00 - 13:00; )
北京城市副中心政务服务中心:北京市通州区新华东街48号二区(东南角)综合窗口
材料是否齐备,内容填写是否完整,格式是否符合要求,签章是否有效。
{"IS_GUIDE":"0","ONLINE_DECLARE_SYSTEM_MODE":"99","ITEM_REALITY_USELEVEL":"","SERVICE_OBJCT":"","IS_CONSTRUCTION":"0","CL_SERVICE_TYPE":"","APP_CODE_ID":"","YESNO_CITY_UNICOM":"99","CROSS_AREA":"","ISSHOHCENTER":"0","WECHAT_CODE_ID":"","FINANCIAL":"","LITTLEPROGRAM_CODE_NAME":"","CROSS_AREA_ALL":"","CROSS_PROVINCE":"","ALIAS_NAME":"[\"辐射安全许可证延续\"]","EAR_DISABILITY_GRAD":"","LIB_DISABILITY_GRAD":"","SPEAK_DISABILITY_GRAD":"","REGISTER":"","ONLINE_HANDLING_DEPTH_STANDARD":"05","APPROVAL_TYPE":"1","MIND_DISABILITY_GRAD":"","ACCEPTSERVICE":"99","YWBLX_ID":"003ff3d7-e7d2-4479-b107-d548e87b8dfd","ONLINE_DECLARE_SYSTEM_DEPT":"","CONSTRUCTION_EXPANSION":"0","EMPOWER":"0","EXEMPT_MATERIALS":"","LITTLEPROGRAM_CODE_ID":"","EYE_DISABILITY_GRAD":"","ISMONVEINCENTER":"","DATA_FLAG":"XZXK_NEW","BUSINESS_APPROVAL_DEPT":"中华人民共和国生态环境部","POWER_NAME":"辐射安全许可","ITEM_ATTRIBUTE":"04^05^06^09^11","CROSS_AREA_ATEXT":"","AGE":"","BGSYSTEM_APPROVAL_OTHER":"国家核技术利用辐射安全监管系统","WIT_DISABILITY_GRAD":"","WECHAT_CODE_NAME":"","POWER_CODE":"B1305402","DISABILITY_TYPE":"","IS_ENABLE_CERTIFICATE_SHARE":"0","POWER_ATTRIBUTE":"1","ONLY_ID":"1adef44b-6d41-442d-a3ae-2e2260b5e4e9","YES_NO_OPEN":"1","BGSYSTEM_APPROVAL_NAME":"其他","APP_CODE_NAME":"","HOLDER":"","VERSION":"20241125"}
[]
2
2^3
http://rr.mee.gov.cn/

政务服务> 办事指南

辐射安全许可证有效期届满申请延续(设区的市级权限)

北京市

切换简洁版

  • 承诺件

    办件类型

  • 0

    到现场次数

  • 20工作日

    法定办结时限

  • 16工作日

    承诺办结时限

好差评

5.0

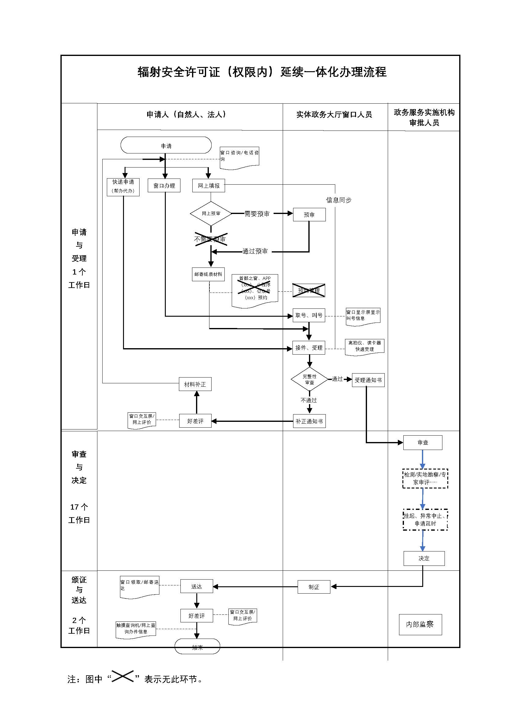
办件承诺办结时限说明:(承诺时限为办理流程中“审查与决定”环节的计时时限)

办件承诺办结时限说明:

(承诺时限为办理流程中“审查与决定”环节的计时时限)

基本信息

实施主体 北京市通州区生态环境局 服务对象
事项类型 行政许可 办理形式
受理条件 材料是否齐备,内容填写是否完整,格式是否符合要求,签章是否有效。
办理时间 北京城市副中心政务服务中心:法定工作日: 上午: 09:00 - 12:00; 下午: 12:00 - 17:00; (延时服务时间: 工作日上午08:30 - 09:00; 下午17:00 - 17:30; 周六上午09:00 - 13:00; ) 查看详情
办理地点 北京城市副中心政务服务中心:北京市通州区新华东街48号二区(东南角)综合窗口 查看详情
咨询方式

咨询电话:

(010)81512491【展开】

投诉监督方式
基本编码 000116133003 事项编码 1111011200008286X23000116133003
业务办理项编码 1111011200008286X2300011613300304 进驻大厅类型
权力来源 法定本级行使 网上支付
所属机构 北京市通州区生态环境局 委托部门
联办机构 实施主体性质 法定机关
办理进程查询途径
行使层级 区级 运行系统 国家级垂管系统
物流快递 办理方式 自办件
预约办理 数量限制
中介服务 权限划分
通办范围 全区 特殊程序
行使内容 Ⅰ类放射源(非医疗)、Ⅰ类射线装置、甲级非密封放射性物质工作场所、制备正电子药物非自用且场所等级属于甲级的在生态环境部办理;在自贸区使用Ⅳ、Ⅴ类放射源,Ⅱ类射线装置销售,Ⅲ类射线装置生产、销售、使用在区生态环境局办理;其他在市生态环境局办理。
显示更多

请选择情形:

提示:通过情形选择可引导出您办理该事项所需的材料,若要查看全部材料,请点击"查看全部材料"

查看全部材料 情形引导

收起
我选好了重选条件

序号 材料名称 材料来源 材料
必要性
数量要求 介质要求 表格及样例
下载
受理标准 提供材料
依据
其他要求
申请材料总要求
序号 材料名称 材料来源 材料
必要性
数量要求 介质要求 表格及样例
下载
受理标准 提供材料
依据
其他要求
申请材料总要求
显示更多

指南分享